I need to get my Toyota Corolla EE90 Carb. repair done. The Problem is we need to replace a needle/ Barrel to control petrol flow. But I could not find the specific needle yet (Searched almost every possible spare shops in Panchikawatta). Even I tried a Carbrator repair kit but unfortunatly specific needle is not a part of the standard repair kit.
Can some one let me know the avalability of the sapres with this guy. (Carb Banda).
Do we have a place to find Carbrator spares separatly.
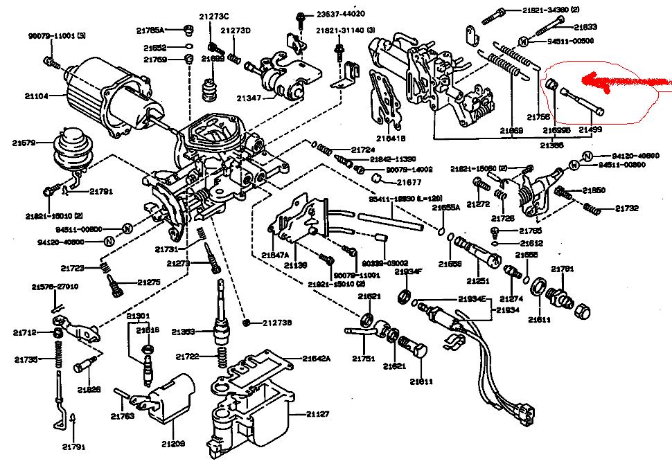
I have attached my carb mannual herewith for the reference
Officially joined the thel-hinganna normie horde with ....drumroll... a 2025 Vezel... I am eagerly anticipating joining the 'thel keeyak karanawada' debates at almsgivings.
Recently, got the opportunity to see and get inside of The one and only Japanese V12, Toyota Century(a.k.a Japanese Rolls Royce). Is it really upto Rolls Royce standards? Nope, I don't think so. Items like Switches and mirror housings are in plastic. But, we can be assured that the dashboard will not light up like Christmas and would run forever....
...and just like that from having parking space issues a few month's back I'm car-less.
The cost of renting something for a month or two (even more - personal imports have been quite messy of late) made me wonder if it actually makes sense to buy a quickly disposable car and get rid of it in a couple of months - but it seems the 'popular' models aren't moving. A few messages to sellers (registered owners) on marketplace resulted in them sending me daily price reduction updates.
Sleepless nights have begun. I'm twisting between SL320 and SL500. Should I just pay additional 2000 euros more and go for the SL500 and go broke or settle with a SL320?
Question
GKWKK
I need to get my Toyota Corolla EE90 Carb. repair done. The Problem is we need to replace a needle/ Barrel to control petrol flow. But I could not find the specific needle yet (Searched almost every possible spare shops in Panchikawatta). Even I tried a Carbrator repair kit but unfortunatly specific needle is not a part of the standard repair kit.
Can some one let me know the avalability of the sapres with this guy. (Carb Banda).
Do we have a place to find Carbrator spares separatly.
I have attached my carb mannual herewith for the reference

Edited by GKWKK0 answers to this question
Recommended Posts
Join the conversation
You can post now and register later. If you have an account, sign in now to post with your account.